公司简介
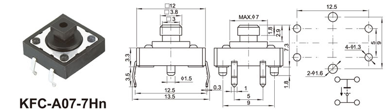
 KFC轻触开关系列 >> KFC-A07-7Hn

  点击次数:568  发布时间:2010-06-12 【打印】 【返回