公司简介
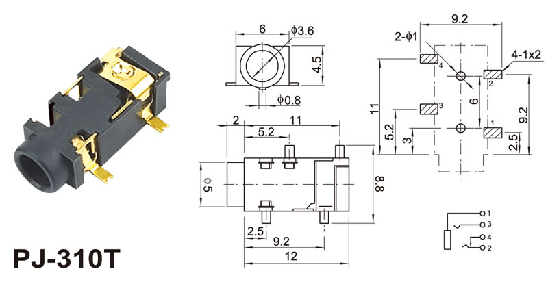
 2.5/3.40(SMT)插口系列 >> PJ-310T

  点击次数:378  发布时间:2010-06-12 【打印】 【返回