公司简介
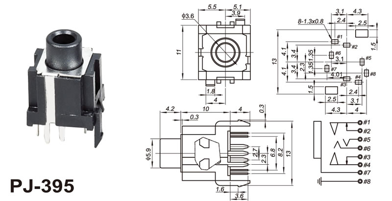
 2.5/3.5插口系列 >> PJ-395

  点击次数:512  发布时间:2010-06-12 【打印】 【返回